1560GEB - TENONI PER MANDRINI ATTACCO MAS-BT - Prod. SCU1560GEB - TENONI PER MANDRINI ATTACCO MAS-BT - Prod. SCU

Salva foto in alta risoluzione

   

 Stampa la scheda
 Invia la scheda

 Apri la pagina del catalogo
 Vai ai prodotti di pag.

Prodotto precedente Prodotto precedente
Prodotto successivo Prodotto successivo

1560GEB  

Prod. SCU

 

TENONI PER MANDRINI ATTACCO MAS-BT

tullstud for chucks with shank MAS-BT

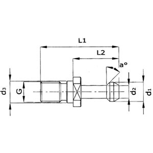
In acciaio, temprato. Di alta precisione BT-MAS-I/II. Forati per lubrificazione interna.

Per mandrini Art. 1560 GC.

 Aggiungi al carrello  

NoteCod. Art.Cad.Cod. Prod.Tipo
Filetto G
M.
Angolo a°
gradi
Quota d1
mm
Quota d2
mm
Quota d3
mm
Quota L1
mm
Quota L2
mm
Per coni Gr.
Peso ArtQTAMIN
1560GEB 16€ 28,40 1616451510176035BT 400,0680
1560GEB 16A€ 28,40 16A16301510176035BT 400,2050
 

News